شرح پروژه:

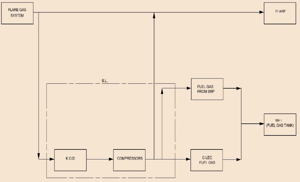
هدف از این پروژه، بازیابی گازهای ارسالی به فلر شماره 5 منطقه سوم پالایشی پالایشگاه آبادان و ارسال گاز استحصال شده به شبکه گاز سوخت  پالایشگاه می‌باشد.در این طرح، جریان انشعابی از گاز فلر با دبی تحت کنترل (دبی طراحی 6000 کیلوگرم در ساعت) به واحد بازیافت هدایت شده و پس از مایع‌گیری و تقویت فشار، به عنوان گاز سوخت به شبکه یوتیلیتی پالایشگاه اضافه می‌شود. برای تقویت فشار، از سیستم کمپرسور (شامل سه دستگاه کمپرسور حلقه مایع به اضافه یک دستگاه یدک) استفاده می‌شود.

طراحی به گونه‌ای صورت می‌گیرد که در هر زمان بسته به دبی و فشار گاز فلر، امکان استفاده از یک یا چند کمپرسور باشد.

محدوده کار:

  • مطالعات امکان سنجی پروژه بر اساس اطلاعات فرآیندی موجود و در نظر گرفتن طرح فرآیندی بهینه
  • تهیه و تحویل بسته مهندسی پایه
  • انجام برآورد و تهیه اسناد مناقصه EPC


گالری تصویر

تماس با ما